一、用戶現場資料及需求
物料類型:生活垃圾焚燒回收
1、跳汰機處理后的物料中固體顆粒物回收干排,水量小于40m3/h
2、滾筒篩篩下物處理,篩下物料粒徑<5mm,水量40m3/h
3、回收干排后尾水處理,水量40m3/h,尾水含固量約7%

二、推薦主要設備
1、固體顆粒洗選、回收、干排設備
?。?)細砂回收機
(2)洗砂回收一體機
2、尾水處理l排放設備
?。?)三氫凈化體
?。?)廂式壓濾機
?。?)清水儲蓄罐

三、實施方案
本方案對垃圾焚燒生產過程中工序固體顆?;厥眨拔菜畠艋幚?,實施方案如下:
.步:利用細砂回收機,實現跳汰機處理后尾料的顆粒物回收。
.步:利用洗砂回收一體機,實現滾筒篩分后篩下物料的洗凈與回收。
第三步:利用三氫凈化體,實現上述細砂回收機、洗砂回收一體機作業后的尾水凈化、泥水分離。
第四步:利用廂式壓濾機,將三氫凈化體濃密后的污泥壓成泥餅,實現干堆。

l排放安裝現場
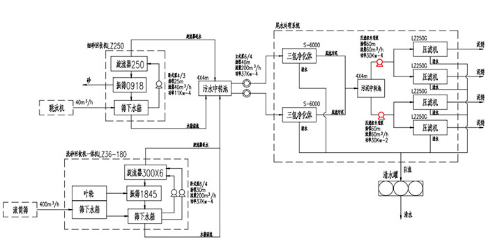
本方案處理水量400m3/h(細砂回收機處理水量約400m3/h),工藝流程如下:
跳汰機處理后料漿自流進入細砂回收機(LZ250)下部水箱,再經細砂回收機內部配置渣漿泵(4/3)抽取進入分離器(FX250),分離器底流進入振篩篩板上,產出成品細砂(固體顆粒)。分離器返水進入返水箱,并自流進入污水中轉水池(4X4m地下),污水中轉水污中的廢水由立式泵(6/4)抽取進入三氫凈化體(S-6000)。

滾筒篩篩分后的篩下物料,自流進入洗砂回收一體機(LZ36-180)葉輪水箱,經洗砂回收一體機處理后的物料顆粒由出料口排出,經由皮帶機運送到料堆,旋流器溢流尾水自流進入污水中轉水池(4X4m地下),污水中轉水池中的廢水由立式泵(6/4)抽取進入三氫凈化體(S-6000)。
經三氫凈化體濃密后的泥漿自流進入泥漿中轉池,再由壓濾機專用泵抽取,打入廂式壓濾機,經壓濾機壓濾成泥餅排出。同時三氫凈化體溢流清水,與壓濾機壓濾出的清水回流到清水中轉池,從而實現細砂回收增效、固廢干排處理及水資源的回收再利用。

四、此方案預期達到的目標
1、實現物料中固體顆粒回收脫水:-200目以上固體顆?;厥章蔬_80~90%,脫水后物料的含水率達到16~20%。
2、實現尾水的凈化回用:凈化后的尾水懸浮物(SS)低于300mg/L(特殊物料除外),高于GB8978《污水綜合排放標準》中有關礦山行業尾水排放的三J排放標準。清水回用率大于90%,符合各地關于工業采礦、選礦等有關水資源重復利用標準。
3、實現固體廢棄物的干堆干排:壓濾過的泥餅含水率小于60~75%,達到各地關于固體廢棄物干堆干排或混合填埋標準。